Microstructures
by George Langford, Sc.D., Massachusetts Institute of Technology, Cambridge, MA, 1966
Copyright©
2005 by George Langford
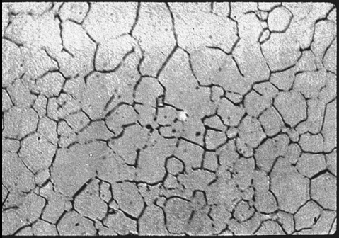
Surface Coatings and Heat Resisting Alloys - Lesson 3 - Fourth specimen
Intake valve at 500X etched (greyscale)
The poppet valves of internal combustion engines are exposed to high temperatures, and they must also be resistant to wear and erosion.

This is the intake valve from an automobile engine.

The first photomicrograph at left is of the head of the valve at 500X magnification.  The hardness is Rockwell C55. 

The Nital etch does not bring up the microstructure of this martensitic stainless steel very well.
Valve stem-head boundary at 50X etched (greyscale)
The second image, shown at only 50X at left, is of the transition zone between the highly alloyed head and the plain carbon steel stem, whose hardness is Rockwell C34.  The valve was probably heat treated after the welded joint was made.
Specimen 5 is the exhaust valve from the same engine.